OS-22型
ハンドプレスと型や色が違う!

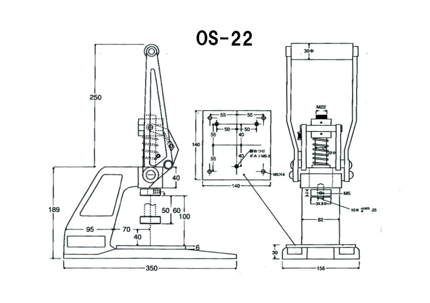
OS-22型
| 特長 | クランク式 型抜き、鉄板穴抜き、金属曲げ加工、ベアリング圧入、ピン圧入、金属板丸棒切断、紙型抜き、リベットカシメ 各種スイッチ組立、各種コネクター組立、その他 上昇運動・下降運動とも、同じように動く機構のため大量の加工に適しています。 |
|---|---|
| ストローク | 50mm |
| 重量 | 13.5㎏ |
| ハンドルの力×圧力 | 1kg×2=2kg ストローク10 1kg×3=3kg ストローク20 1kg×6=6kg ストローク30 1kg×8=8kg ストローク40 1kg×15=15kg ストローク45 1kg×28=28kg ストローク48 1kg×40=40kg ストローク48.5 1kg×60=60kg ストローク49 1kg×70=70kg ストローク49.5 1kg×80=80kg ストローク49.8 |
| 特注 | ポスト(柱)の長さ、ストロークの長さなど |
| PDFはこちら |
